
蝶閥知識
閥門首頁 > 閥門知識 > 蝶閥知識 > 上海湖泉 電動蝶閥型號 編制方法-蝶閥型號大全 一、最新 電動蝶閥型號 編制表示說明: 隨著高科技發展的不斷進步,工況要求也越來越高...
上裝閘式 金屬硬密封電動蝶閥 產品概述 上裝閘式金屬硬密封 蝶閥 是在多層次三偏心金屬硬密封蝶閥的基礎上,開發的又一款新產品。除...
上海湖泉 電動蝶閥 有開關型和智能型二種, 蝶閥 與DSR執行機構配套,輸入控制信號(4~20mADC或1~5VDC)及單相電源即可控制運轉,具有功能...
1、 電動煙道蝶閥廠家 在非工作時間中,閥門關閉,防止大的灰渣進入管道,保護管道生產的安全及可持續進行。本閥采用與閥體相同材料...
上海湖泉閥門有限公司 常年出售電動閘閥,電動蝶閥,電動球閥及電動截止閥,本著誠信服務于客戶的理念,以優質的服務,優惠的產品價格,...
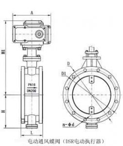
電動通風 蝶閥 應用于化工、建材、電站、玻璃等行業中的通風、環保工程的含塵冷風或熱風氣體管道中,作為氣體介質調節流量或切斷的...
我公司生產的 D973H電動對夾式硬密封蝶閥 引進能夠國外先進技術的基礎上,采用精密的J形彈性密封圈和三偏心多層次金屬硬密封結構,被廣...
超高溫電動蝶閥 由于選擇了合適耐高溫材料和獨特的結構形式,在低壓差的場合下,最高使用溫度可達到900℃。取代了傳統的內循環水冷結...
不銹鋼 電動 蝶閥 采用精小型一體化結構,有電動開關型和電動調節型兩種。開關型采用交流電或直流電控制 蝶閥 開關。智能調節型接受...
電動蝶閥 適用于需要流量調節的場合。由于 蝶閥 在管路中的壓力損失比較大,大約是閘閥的三倍,因此在選擇蝶閥時,應充分考慮管路系...